logo

سلولی تک نقطه ای آلومینیوم ضد خوردگی 30KN

5pcs
MOQ
قابل مذاکره
قیمت
سلولی تک نقطه ای آلومینیوم ضد خوردگی 30KN
امکانات گالری توضیحات محصول درخواست نقل قول
امکانات
مشخصات
نام: لودسل تک نقطه ای آلومینیومی
تئوری: سنسور مقاومت
خروجی: سنسور آنالوگ
مواد: آلومینیوم
استفاده: سنسور فشار
اضافه بار ایمن: 120درصد F.S.
برجسته کردن:

سلولی بار آلومینیوم CE

,

سلول بار تک نقطه ای 30KN

اطلاعات اولیه
محل منبع: چین
نام تجاری: SKYERSCALE
گواهی: CE
شماره مدل: AM006
پرداخت
جزئیات بسته بندی: کارتن
زمان تحویل: 20days
قابلیت ارائه: 100 پیکسل / متر
توضیحات محصول

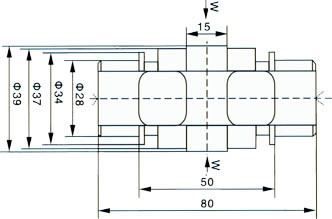
آلومینیوم وزن تک نقطه سلول بار AM006 سنسور بار 30KN

 

پارامتر فنی:

 

مدل AM006 Temp.Effect بر روی خروجی ±0.05٪ F.S/10°C
ظرفیت 30kN خروجی صفر ± 0.1%F.S
خطای کلی 0.3 مقاومت ورودی 1030±10Ω
حساسیت خروجی 1.2±0.2mV/V مقاومت خروجی 1000±10Ω
عدم خطی بودن ±1%F.S مقاومت عایق ≥2000MΩ (50V)
تکرار ±1%F.S ولتاژ تحریک ≤10 ولت
هیسترز ±1%F.S عملیات Temp.Range -10 تا +40 درجه سانتیگراد
خفاش ±0.05 ((5 دقیقه) %F.S ظرفیت بیش از حد 150٪ F.S
تاثیری بر صفر ±0.3%F.S/10°C استفاده توصیه شده اندازه گیری فشار حفاری

 

سلولی تک نقطه ای آلومینیوم ضد خوردگی 30KN 0

 

کاربردها:

ساخت آلومینیوم با شعاع موازی
چسب سيليکوني بسته شده، سطح آنوديز شده و ضد خوردگي.
ساختار کامل و نصب آسان
مناسب برای مقیاس قیمت گذاری، مقیاس پلتفرم و دیگر الکترونیکدستگاه های وزن

مزیت رقابتی:

 

1. پرسشنامه و ایمیل شما در عرض 12 ساعت پاسخ داده خواهد شد.

2اگر شما نیاز به توسعه محصول با مشخصات خود را، ما مهندسان حرفه ای برای کار آن را.

3هيچ وقت مشتري رو تنها نگذار، مشکلات مشتري رو با هم حل کنيد

4اول مشتری، اول کیفیت، اول خدماتاول!

 

لطفا با ما تماس بگیرید:
واتساپ/تل:0086 15995095496
skyer@skyerscale.com
www.floorweighingscales.com

محصولات توصیه شده
با ما در تماس باشید
تماس با شخص : Ms. Fang
تلفن : 15995095496
فکس : 86-519-83331897
حرف باقی مانده است(20/3000)